Hală Procesare Carne

Proiect complet pentru construcția unei hale industriale multifuncționale cu procesare carne, depozit frig, birouri, fabrică de ciocolată și amenajare teren. Structură metalică modernă, adaptată cerințelor tehnologice alimentare.
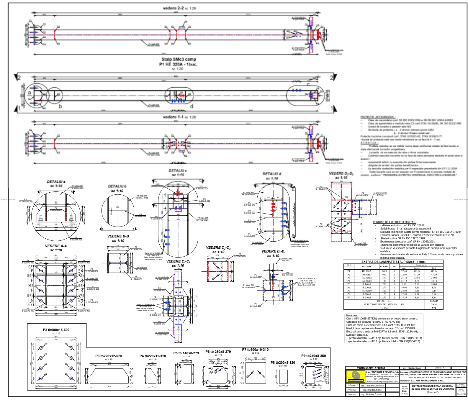
Beneficiar: S.C. ANF MANAGEMENT S.R.L.

Group 75199

Oradea, Bihor

Group 75202

Construcții Industriale

Group 75201

2024

Detalii Proiect

Adresă Proiect

mun. Oradea, str. S.F. Bruno, nr. CAD 212646, jud. Bihor

Descriere Generală

Construcția cuprinde o hală metalică „P+Ep” cu destinații multiple: secție de procesare carne, depozit frig, birouri și fabrică de produse din ciocolată. Structura halei este metalică, formată din stâlpi metalici HEA320 și ferme zabrelite la acoperiș. Fundațiile sunt izolate, cu bloc și cuzinet armat.

Caracteristici Seismice

Zona seismică „E”, ag=0.15g, Tc=0.7sec.
Clasa de importanță: III
Categoria de importanță: C

Echipa Proiect

Proiectant:

PROREZIS STUDIO

Arhitect:

Dumitras Andreea

Verificator:

Ing. I. Haiduc

Beneficiar:

S.C. ANF MANAGEMENT S.R.L.

Studiu Geotehnic

Executant:

SC RALGEO CONSTRUCT SRL

Capacitate portantă:

285 kPa

Adâncime fundare:

-1.20m

Fundații

  • Fundații izolate cu bloc de fundare și cuzinet armat
  • Grindă de fundare din beton armat pe perimetru
  • Adâncime fundare: -2.00m față de cota terenului natural
  • Trotuar protecție perimetral: 100 cm sau platformă auto betonată

Suprastructură

  • Stâlpi metalici HEA320
  • Ferme metalice zabrelite la acoperiș (28.00m și 29.55m)
  • Planșee metalice la cote +3.90 și +7.35
  • Contravântuiri verticale și longitudinale
  • Închideri și acoperiș din panouri sandwich 8cm
Element Clasa Beton Oțel Armare Oțel Structura Caracteristici
Fundații
C16/20
OB37
Centură, Cuzinet
C16/20
OB37
Placă pe sol
C30/37
BST500C
XC2; XC4; RO; S3; Cl020
Structură Metalică
S275JR
Categorie execuție B, clasa tăiere 1.1.1

Observații: CEM II/A-S32.5R/0-16 mm, raport A/C max. 0.60, aditivat cu reducători de apă super plastifianți și antrenori de aer.

Normative Aplicabile

  • P100-1/2013 – Cod de proiectare seismică
  • NP112 – „Fundații”, EC7
  • CP012/2009 – Cod de proiectare a betonului
  • CR 1-1-4/2012 – Acțiuni ale vântului
  • STAS 767/0-88, STAS 10564/1-81, C150/99, STAS 1125/1-91

Reglementări

  • Legea 10/1995 – Calitatea în construcții
  • Norme de protecția muncii și P.S.I.
  • Program pentru controlul execuției lucrărilor

Atenție Specială

  • Înaintea turnării betonului în fundații, se solicită geotehnicianul pentru identificarea terenului de fundare.

  • Săpăturile mai adânci de 1.30m vor fi prevăzute cu sprijiniri.

  • Umpluturile se vor executa cu argile impermeabile, compactate în straturi de 15/20cm.

Cerințe Execuție​

  • Personal calificat și certificat
  • Diriginte de șantier autorizat
  • Respectarea normelor tehnice specifice în vigoare
  • Controlul calității conform programului stabilit

Documentația Proiect

Piese Scrise:

  • Borderou – Foaie semnături
  • Referat
  • Memoriu tehnic rezistență
  • Breviar de calcul
  • Program pentru controlul execuției lucrărilor
  • Caiete de sarcini

Piese Desenate:

  • Plan fundat și detalii fundații izolate F1-F5
  • Detalii carcasă buloane, armare grinzi fundare, rampe acces/andocare
  • Cadre transversale metalice (Ax 1-14)
  • Detalii fasonare stâlpi și grinzi metalice (SMc, SMp, SMf, GM)
  • Planuri planșeu metalic (+3.90, +7.35)
  • Detalii ferme metalice (FM A-E 28.00m, FM A-B 29.55m)
  • Contravântuiri, închideri, plan acoperiș, scări, planșeu beton peste grinzi metalice
  • Centralizator laminate suprastructură

Contact

Ai un proiect în plan? Hai să discutăm!
Completează formularul de mai jos și un membru al echipei noastre te va contacta în cel mai scurt timp.

Întrebări frecvente

Ce înseamnă serviciile de proiectare structură de rezistență?

Serviciile de proiectare structură de rezistență se referă la procesul tehnic prin care se determină și se dimensionează elementele de structură ale unei clădiri (fundații, stâlpi, grinzi, planșee etc.) pentru a rezista în condiții de siguranță la toate încărcările (greutate proprie, vânt, zăpadă, cutremur). Aceste servicii sunt esențiale pentru orice tip de construcție, asigurând durabilitatea și stabilitatea în timp.

O proiectare corectă a structurii de rezistență asigură stabilitatea și siguranța construcției în fața solicitărilor mecanice și naturale (cutremure, vânt, zăpadă). O proiectare neconformă poate duce la costuri suplimentare, întârzieri în execuție sau chiar la probleme grave în utilizarea clădirii. De aceea, colaborarea cu o firmă de proiectare autorizată și cu experiență este esențială.

Etapele unui proiect de structură includ:

  1. Analiza documentației arhitecturale și studiului geotehnic;
  2. Modelarea structurală în softuri de specialitate;
  3. Calculul și dimensionarea elementelor structurale;
  4. Elaborarea planurilor și detaliilor de execuție (DTAC + PTh);
  5. Asistență tehnică pe parcursul execuției lucrărilor.

Durata realizării unui proiect depinde de dimensiunea și complexitatea construcției. Pentru o casă unifamilială, proiectul poate fi gata în 7–14 zile lucrătoare. Pentru proiecte mai mari, pot fi necesare 3–6 săptămâni. Termenul exact se stabilește în funcție de documentația disponibilă și de solicitările clientului.

Consultanța tehnică în faza de execuție a structurii de rezistență este esențială pentru a asigura conformitatea lucrărilor cu proiectul și standardele de calitate. Prezența inginerilor specializați permite verificarea modului în care sunt aplicate soluțiile structurale, corectarea eventualelor neconformități și adaptarea detaliilor tehnice în cazul apariției unor situații neprevăzute pe șantier. Astfel, se reduce riscul de erori, se optimizează execuția și se garantează siguranța și durabilitatea structurii.